Тел.: 8-017-380-05-85
Тел. моб.: 8-033-633-03-37
E-mail: owenbel@mail.ru
г. Минск, ул. Левкова 43, офис 413

SCADA-система ОВЕН Телемеханика ЛАЙТ


Оставить заявку

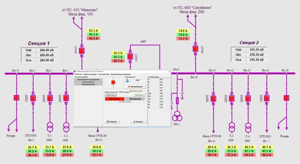
SCADA-система ОВЕН Телемеханика ЛАЙТ – полноценный инструмент для проведения полного цикла работ по настройке сбора данных и управлению, заданию алгоритмов обработки, формированию сигналов тревог, настройке баз данных истории, формированию технологических и оперативных схем отображения информации. При этом не требуются знания и квалификация программиста, все работы могут быть проведены специалистом уровня инженера АСУ. Для разработки пользовательского интерфейса имеется большая библиотека готовых тематических объектов по отображению оперативной и исторической информации – электрические аппараты, тренды телеизмерений, а также объектов общего характера (изображения, фигуры, графики, кнопки и пр.), что позволяет в кратчайшие сроки и с минимальными затратами решать задачи автоматизации распределенных и локальных объектов. Благодаря уникальным технологиям построения система легко масштабируется до проектов с количеством объектов автоматизации, исчисляемых сотнями. Встроенной SoftLogic-системой Enlogic для настройки работы обладает ОВЕН ПЛК323-ТЛ.

Отличительные особенности

  • Поддержка протоколов Modbus RTU/ASCII, Modbus TCP/IP.
  • Поддержка протоколов передачи МЭК DNP3, МЭК-60870-5-101/103/104.
  • Встроенные библиотеки по опросу приборов ОВЕН и широкого круга приборов сторонних производителей.
  • Гибкая настройка протоколов обмена, большое число уже разработанных профилей обмена для блоков РЗА, измерительных преобразователей, контроллеров ячеек, модулей ввода-вывода.
  • Специализированные объекты визуализации, значительно упрощающие процесс создания мнемосхем объектов.
  • Встроенный инструментарий для организации АСКУЭ.

Преимущества

  • Для большинства задач не требуется использование ОPC-сервера.
  • Ведение информационных баз данных договоров, объектов, оборудования и выполняемых работ.
  • Создание отчетных/диспетчерских форм.
  • Встроенные алгоритмы контроля, анализа и оптимизации распределения электроэнергии, контроль параметров электрического тока.
  • Коммуникационный сервер для входящих TCP-соединений, механизм разграничения прав пользователей для обеспечения защиты функций редактирования и управления.
  • Клиент-серверная архитектура, возможность организации систем с выделенными серверами сбора и БД.
  • Возможность использования серверов БД MS SQL, Firebird.

Для создания и настройки проектов доступно 2 часа непрерывной работы без ограничения количества сигналов.

EL-KeyЛицензирование компонентов программного комплекса ОВЕН Телемеханика ЛАЙТ осуществляется индивидуально для каждого сервера и рабочего места с помощью аппаратного ключа защиты для порта USB.

Ключ включается в заказ для каждого сервера.

Бесплатное обновление программного обеспечения Телемеханика ЛАЙТ доступно в течение одного календарного года с даты приобретения лицензии. Для обновления на более поздние версии необходимо обновить лицензию, стоимость обновления составляет 25 % стоимости от актуальной лицензии.